1. 午夜国产视频,午夜视频黄色,午夜商店APP下载18,午夜福利小视频在线观看

    您好,欢迎访问湖州午夜视频黄色特种电机有限公司官网!

     午夜商店APP下载18

    15905728283 / 0572-3911692

    午夜福利小视频在线观看

    产品分类

    联系午夜国产视频

    企业名称:湖州午夜视频黄色特种电机有限公司

    联系人:傅卓

    电话:0572-3911692

    手机:15905728283

    邮箱:595137226@qq.com

    传真:0572-3911692

    地址:浙江省湖州市南浔经济开发区西城路188号-8

    网址 :www.liansuopx.com

    ZW-TDZ4无刷直流电动机

    您的当前位置: 首 页 >> 产品中心 >> 医用午夜国产视频系列

    ZW-TDZ4无刷直流电动机

    • 所属分类:医用午夜国产视频系列

    • 点击次数:
    • 发布日期:2020/07/27
    • 在线询价
    详细介绍

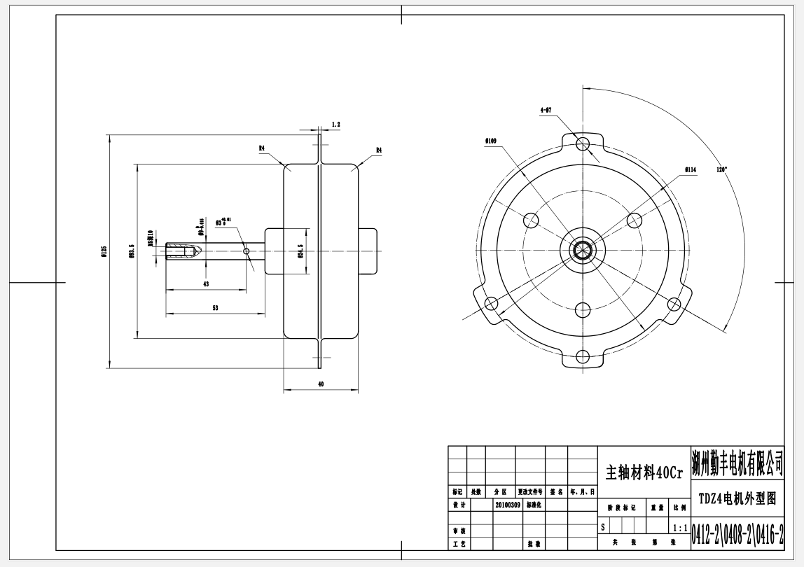
    ZW-TDZ4无刷直流电动机

    本公司电机是驱动电路内置型和外置型的高性能无刷直流马达。成功应用于医疗仪器(离心机,振荡器,旋转蒸发仪),自动门,大气悬浮微粒采样器等设备,

    电机采用热固性不饱和树脂整体封装,有散热性好,低噪声,低振动,防潮,耐蚀等特点,特别在高速电机上有不可比拟的优点。

    参数:

    ZW-TDZ4无刷直流电动机

    额定电压:DC36V

    额定功率:40W

    额定电流:1.8A

    额定转速:4000r/min


    blob.png


    本文网址:http://www.liansuopx.com/product/553.html

    关键词:ZW-TDZ4无刷直流电动机,电机厂家,电机发展现状

    上一篇:ZW-550(DD5)午夜福利小视频在线观看
    下一篇:没有了

    最近浏览:

    在线客服
    分享 一键分享
    欢迎给午夜国产视频留言
    请在此输入留言内容,午夜国产视频会尽快与您联系。
    姓名
    联系人
    电话
    座机/手机号码
    邮箱
    邮箱
    地址
    地址

    浙公网安备 33050302000566号

    网站地图